Дорожные плиты изготавливают из железобетона. Они предназначены для устройства дорожного полотна магистралей, пересечений дорог и аэродромных путепроводов.
Характеристики и описание
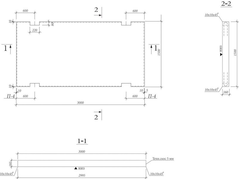
Плита 1П30-15-30 производится для строительства дорог постоянного назначения, на что указывает первая цифра (1). Буква «П» обозначает прямоугольную форму изделия, а последующие цифры — 30 и 15 — размеры плит 1П30-15-30: 3000 мм в длину, 1500 мм в ширину.
Толщина изделия составляет 170 мм, вес 1900 кг. В обозначении плиты фигурируют округленные размеры, а реальные размеры, соответствующие стандарту, указываются в сопроводительной документации. Последние цифры маркировки (30) определяют допустимую нагрузку на один квадратный метр — 30 тонн.
Такие плиты изготавливают из тяжелого бетона, составленного из портландцемента, песка мелких фракций и гравийного щебня. Вид наполнителей на заводах может меняться при соблюдении параметров прочности, морозостойкости и водонепроницаемости. Прочность плиты (В 22,5) обеспечивается применением бетона марки М300, морозостойкость (F200) и водонепроницаемость (W4) — специальными пластифицирующими и воздухововлекающими добавками.
Верхняя плоскость изделия имеет характерную рифленую поверхность, оставляемую дном пресс-формы. Насечка глубиной 1 мм предназначена для лучшего сцепления с колесами автомобилей или с асфальтобетоном, которым нередко покрывают бетонные плиты для улучшения поверхности.
Стальной армокаркас содержит два слоя (по толщине) напряженной стальной арматуры. Именно от него зависят прочность плиты на изгиб и растяжение.
Описываемые изделия способны работать практически в любом климате при температуре до минус 40 ºС в течение десятилетий. При изменении дорожных путей они могут быть демонтированы и перенесены для устройства дороги в другом месте. Цена на плиты 1П30-15-30, применяемые вторично, существенно уменьшается, что становится очень выгодным для нового владельца.
Для удобства монтажа плиты оборудуются петлевыми захватами, не выходящими за габариты — по 4 штуки на плиту.
Современные технологии изготовления предусматривают антикоррозийную обработку плит. Это делается для надежной защиты от хлористых солей, наносимых на дороги в качестве антиобледенительных средств. На плитах не допускаются сколы и наплывы глубиной (высотой) более 15 мм.
Применение
Для обустройства постоянных дорог из плит используется следующая технология:
- Сначала отрывают траншею под полотно дороги глубиной 250-500 мм, выравнивают и уплотняют грунт.
- Дно выстилают геотекстилем для предотвращения проникновения сорных трав и защиты песчаной подушки от размывания осадочными водами.
- На геотекстиль укладывают щебень толщиной порядка 150 мм и такой же слой песка. Подушку проливают большим количеством воды и трамбуют виброкатками.
- На подушку укладывают плиты, монтажные петли соседних изделий соединяют сваркой.
- Зазоры и петлевые пустоты заполняют бетоном или песчано-цементной смесью.
- Дорогу покрывают асфальтом финишной фракции.
Купить плиты 1П30-15-30 в Санкт-Петербурге всегда можно в офисе нашей компании. Мы поможем выбрать изделия требуемого качества по приемлемой цене.














